12+ Coil Pack Wiring Diagram


Ignition Coil Resistor The 1947 Present Chevrolet Gmc Truck Message Board Network


Onan Ignition Module Testing Off The Engine Electrical Redsquare Wheel Horse Forum


Thinking About Lsx Coil Packs On 12v Vw Vortex Volkswagen Forum


Back To Basics How An Ignition Coil Works Denso


12 Hyundai Getz Electrical Wiring Diagram Electrical Wiring Diagram Diy Electric Car Hyundai


Wiring Advice Warman Guitars


Audizine Forums


2jz Gte Ignitor And Coil Wiring Supra Forums


65 Rally Pack Tach Wiring Ford Muscle Cars Tech Forum


How To Wire An Ignition Coil Diagram Types Wiring Guides


Sc300 Seats Into A Mkiv Clublexus Lexus Forum Discussion


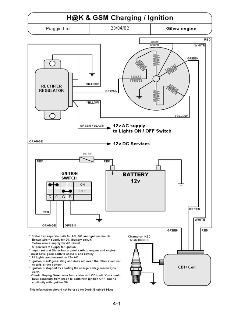
H K Gsm Charging Ignition Pdf Pdf Direct Current Carburetor


What Should The Voltage Be Across The And Signs Of A 12v Coil With The Ignition On And Not Running Quora


Dicktator Wiring Double Check


Part 1082033 Crane Ignition Kit Efi Lc Engineering


Coil Pack Wiring Diagram Needed I Need A Wiring Diagram For The


Ignition Coil Circuit Confusion Youtube


Coil Pack Wiring Diagram Needed I Need A Wiring Diagram For The

Iklan Atas Artikel

Iklan Tengah Artikel 1

Iklan Tengah Artikel 2

Iklan Bawah Artikel